#
#
#
#

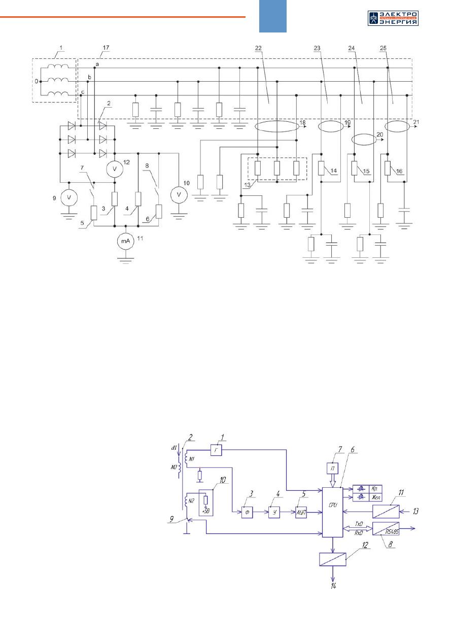
Контроль сопротивления изоляции фаз и присоединений в сети переменного тока с изолированной нейтралью напряжением до 1000 В

Оригинал статьи: Контроль сопротивления изоляции фаз и присоединений в сети переменного тока с изолированной нейтралью напряжением до 1000 В

Читать онлайн

В статье рассматриваются требования, предъявляемые к устройствам контроля сопротивления изоляции присоединений в сети с изолированной нейтралью напряжением до 1000 В. Предложена автоматическая система непрерывного автоматического контроля сопротивления изоляции шин и отходящих присоединений (фидеров) как подключенных, так и отсоединенных от сети переменного тока.

Поделиться:

Спецвыпуск «Россети» № 4(39), декабрь 2025

Опыт использования отечественных технологий искусственного интеллекта в составе визуально-акустических дефектоскопов

Цифровая трансформация / Цифровые сети / Цифровая подстанция Диагностика и мониторинг
ПАО «Россети Ленэнерго»
«ЭЛЕКТРОЭНЕРГИЯ. Передача и распределение» № 6(93), ноябрь-декабрь 2025

Повышение эффективности диагностики ВЛ 35/110 кВ на основе специализированного БВС с интеллектуальной системой управления полетом и фиксации объекта обследования

Диагностика и мониторинг
ПАО «Россети Центр» филиал ПАО «Россети Центр» — «Липецкэнерго»
«ЭЛЕКТРОЭНЕРГИЯ. Передача и распределение»