Использование обобщенных параметров схемы для оценки и ограничения токов короткого замыкания сложных электроэнергетических систем

Оригинал статьи: Использование обобщенных параметров схемы для оценки и ограничения токов короткого замыкания сложных электроэнергетических систем

Ключевые слова: сальдо-проводимость, нечувствительность, интервальная оценка, токи короткого замыкания, распределенные параметры схемы

Читать онлайн

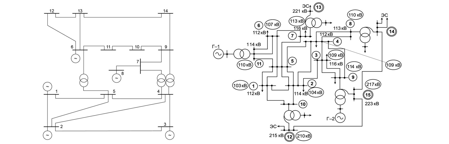
Исследуется актуальная проблема ограничения токов короткого замыкания в сложных электроэнергетических сетях с распределенной генерацией при неполноте исходных данных. При этом для оценки нечувствительности исследуемых узлов к возмущениям предлагается использование обобщенных параметров схемы электрической сети на базе метода сальдо-проводимости. Посредством проведения сингулярного анализа в работе доказывается эффективность предлагаемой методики. Также разработаны математические модели интервальной оценки величины токов короткого замыкания в узлах сети на примере региональной электроэнергетической системы 110 кВ, ранжированных по степени их нечувствительности к возмущениям.

Поделиться:

«ЭЛЕКТРОЭНЕРГИЯ. Передача и распределение» № 1(94), январь-февраль 2026

Надежность мегаполиса строится на технологиях, данных и ответственности

Интервью Управление сетями / Развитие сетей
Интервью с генеральным директором АО «Объединенная энергетическая компания» Е.С. Прохоровым
«ЭЛЕКТРОЭНЕРГИЯ. Передача и распределение»