Оригинал статьи: Определение зоны замыкания на землю на ВЛ СН
Представлен метод локализации зоны однофазного замыкания на землю в сетях с неэффективно заземленной нейтралью (через высокоомный резистор, дугогасящий реактор или с изолированной нейтралью), основанный на возбуждении высокочастотных колебаний в простых RCL-датчиках. Амплитуда колебаний определяется крутизной фронта волны напряжения и существенно уменьшается с расстоянием от места замыкания. Анализ напряжений на конденсаторах датчиков, полученных по телеметрии, производится с помощью интерполяционного полинома низкой степени, максимум которого позволяет установить зону замыкания. Установлено, что неэквидистантное размещение датчиков на воздушной линии увеличивает погрешность определения зоны замыкания, тогда как рост сопротивления грунта влияет на точность определения зоны незначительно.
Качесов В.Е., д.т.н., доцент, профессор кафедры ТЭВН ФГБОУ ВО «Новосибирский государственный технический университет», ведущий специалист ООО НПП «ЭНЕРГОКОНСАЛТ»
Лебедев А.А., аспирант кафедры ТЭВН ФГБОУ ВО «Новосибирский государственный технический университет», инженер филиала АО «Россети Научно технический центр» — СибНИИЭ
Хорошо известно, что превалирующим повреждением в электрических сетях с неэффективно заземленной нейтралью (сети среднего напряжения (СН)) является однофазное замыкание на землю (ОЗЗ), которое часто порождает междуфазные короткие замыкания (КЗ) и таким образом приводит к отключению линии электропередачи и неизбежно финансовым потерям электропотребителей. Ввиду отсутствия сверхтока в месте повреждения фазной изоляции на воздушных линиях (ВЛ) поиск повреждения не является тривиальной задачей. Во-первых, из всего потока повреждений нужно надежно выделить однофазные замыкания на землю (ОЗЗ), в том числе перемежающееся; во-вторых, локализовать место повреждения линии электропередачи (ЛЭП). Но выделение лишь поврежденной линии электропередачи, даже с учетом относительно простой селекции поврежденной фазы по значению производной [1], не позволит быстро восстановить изоляцию; для этого должна быть решена третья подзадача — обнаружение места (зоны) замыкания, то есть определения места повреждения (ОМП). Для электрической сети (ЭС) СН, которые имеют сложные топологии схем электропитания, решение этой подзадачи в целом затруднено, но тем не менее для ее решения могут применяться, например, параметрические способы [2, 3].
Далее рассмотрим способ для решения последней, в том числе и хронологически, третьей подзадачи из вышеперечисленных. За более чем столетний период существования ЭС СН для ее решения предложено множество способов, которые можно разделить на следующие, основанные на:
- параметрах аварийного режима (односторонних, двухсторонних, многосторонних измерений) [4–7];
- волновых методах [8, 9];
- методах, основанных на спектральном анализе [10];
- распределенных измерениях с использованием индикаторов повреждения воздушных линий (ИПВЛ) [11];
- групповых методах ОМП [12, 13].
В большинстве методов селекции поврежденной линии электропередачи, а также методов ОМП, в качестве исходных данных используются токи нулевой последовательности (НП) присоединений (линий электропередачи), измеряемые с помощью трансформаторов тока (ТТ). Существуют также подходы, основанные на анализе гармонического состава фазных токов [14], однако их применение ограничено естественным гармоническим фоном, характерным для нормального режима работы электрической сети. В ситуациях, когда установка трансформаторов тока нулевой последовательности (ТТНП) невозможна (например, в ВЛЭП 6–35 кВ с отпайками на опорах), предлагается использовать альтернативный метод, заключающийся в измерении интенсивности высокочастотных (ВЧ) переходных процессов при помощи специализированных датчиков вместо регистрации токов. Данные ВЧ процессы возникают при пробое фазной изоляции, то есть при замыканиях на землю [15]. Модификация метода [15] может использоваться и для задачи ОМП.
ВОЛНЫ НАПРЯЖЕНИЙ ПРИ ОЗЗ
Для обнаружения места повреждения на линии электропередачи с ОЗЗ предлагается способ, основанный на методе определения поврежденной линии электропередачи [16], но на основе измерений, получаемых от нескольких высокочастотных датчиков. Суть предлагаемого метода заключается в установке нескольких высокочастотных RCL-датчиков вдоль воздушной линии электропередачи. При возникновении возмущения в виде дугового однофазного замыкания на землю на датчиках формируется сигнал с широким частотным спектром. Хотя процесс заземления провода носит волновой характер, постоянная времени фронта ниспадающего по модулю импульса напряжения зависит от характеристического (фазного) сопротивления линии (ZC), сопротивления заземляющего устройства опоры (Rз), индуктивности заземляющего спуска (Lсп) [17] и определяется:

Для типичных опор ВЛ СН (ZC ≅ 560 Ом) длины заземляющего спуска около 8–10 м и сопротивлении заземления около 50 Ом длительность фронта составляет τф ≅ 150…200 нс. При строгом подходе уровень сигнала на датчиках, ближайших к месту замыкания на землю, будет максимальный. По мере удаления от места замыкания, ввиду деформации (увеличения) фронта волны из-за активных (в том числе, частотно-зависимых) потерь в линиях электропередачи, уровень напряжения сигнала уменьшается.
На рисунке 1 показана волна напряжения на поврежденной фазе типичной воздушной линии 10 кВ после пробега ею 2 км, 4 км и 8 км. В междуфазном (металлическом) канале (uфф), который составляет в зависимости от геометрического расположения проводов в пространстве около 40–45%, увеличение длительности фронта мало, в то время как в «нулевом» (u0) — значительно.

На неповрежденных фазах импульсы напряжения междуфазного и нулевого каналов противоположны по знаку; так же, как и для поврежденной фазы, земляной волновой канал заметно увеличивает фронт импульса напряжения. Поскольку ощутимое изменение формы происходит лишь в земляном канале, целесообразно для локации места ОЗЗ использовать деформированные волны напряжения в канале нулевой последовательности.
ВЧ-ДАТЧИК
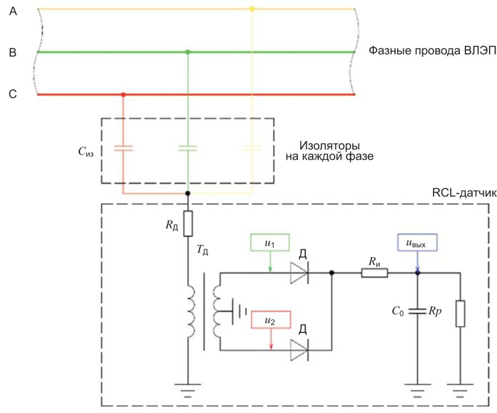
На рисунке 2 представлена принципиальная схема ВЧ-датчика линейного устройства измерения (ЛУИ), численно реализованная в программном комплексе ORCAD/ PSPICE [18]. Работа датчика в однофазном исполнении апробирована на реальной ВЛ 10 кВ. Как видно из расчетной осциллограммы, представленной на рисунке 3, присутствует некоторая особенность выпрямления напряжения в используемых ВЧ-датчиках. На первых полупериодах при возникновении ОЗЗ в ВЧ-датчике появляется сигнал, имеющий ступенчатую форму после выпрямления, обусловленную двухполупериодным зарядом накопительного конденсатора C0.


Проверка работоспособности предложенного способа локализации зоны повреждения была выполнена на численной модели существующей сети 10 кВ. Для более достоверного отражения физических процессов в ЭС для широко апробированной программы ORCAD/PSPICE разработана частотно-зависимая модель ВЛ [19]. Удельное сопротивление грунта в рассматриваемом примере ЭС принято равным ρз = 100 Ом∙м, что типично для большей площади Российской Федерации. Для линии электропередачи, на которой имело место дуговое однофазное замыкание на землю, через равной длины промежутки были установлены высокочастотные RCL-датчики. Поскольку максимальное затухание по мере удаления от места замыкания вносит земляной волновой канал, то для измерений (в отличие от [16]) используется трехфазный датчик, то есть для возбуждения колебаний в датчике к нему подводится переходное напряжение нулевой последовательности 3U0. Достигается это за счет установки конденсатора Cиз на каждую фазу (в качестве которых на ВЛ 10 кВ выступают штыревые изоляторы) и одного RCL-датчика, как показано на рисунке 2.

При таком (трехфазном) подходе нивелируется влияние фазы, на которой происходит замыкание. Как видно из осциллограммы, представленной на рисунке 4, уровень сигнала на датчиках, ближайших к месту замыкания на землю, будет максимальный.
ЛОКАЛИЗАЦИЯ МЕСТА ОЗЗ
По полученным уровням напряжения с датчиков и мест их расположения (в рассматриваемом случае четыре датчика на линии электропередачи) строится полином третьей степени вида [20]:

гдe UC0 — напряжение на накопительном конденсаторе датчика; x — координаты расположения датчиков; a, b, c, d — коэффициенты полинома.

Для построения полиномов могут быть применены классические методы Лагранжа или Ньютона [20]. Максимум аппроксимирующей функции приближенно соответствует месту однофазного замыкания на землю (рисунок 5). Предложенный способ обладает достаточной степенью достоверности, хотя и с некоторыми особенностями его применения. Для его реализации на одной ВЛ необходимо использовать 12 изоляторов с соответствующими четырьмя датчиками для выделения наиболее информативного переходного напряжения НП.
ОТНОСИТЕЛЬНАЯ ПОГРЕШНОСТЬ МЕТОДА
В зависимости от вариативности различных исходных данных будет изменяться и точность определения зоны повреждения. Относительная погрешность предложенного метода может зависеть от различных факторов, а именно способов расстановки ВЧ-датчиков вдоль линии, количества датчиков, длины самой линии, от удельного сопротивления земли. Для количественной оценки погрешности выполнено моделирование при влиянии различных параметров.
Влияние способа размещения ВЧ-датчиков вдоль линии. Оценим относительную погрешность предлагаемого способа ОМП при вариативности промежутков установки ВЧ-датчиков вдоль ВЛ. Для этого в сети 10 кВ на одной из линий электропередачи выполнено моделирование ОЗЗ при равномерном распределении датчиков вдоль ВЛ и получены амплитудные значения напряжений на ВЧ-датчиках (на накопительных конденсаторах). Кривые аппроксимирующих полиномов представлены на рисунке 6. На нем показаны уровни напряжения на ВЧ-датчиках при ОЗЗ в различных точках ВЛ. Уровни напряжения на ВЧ-датчиках при ОЗЗ в различных точках ВЛ при неравномерном размещении датчиков представлены на рисунке 7.


Для оценки относительной погрешности в зависимости от степени неравномерности распределения ВЧ-датчиков вдоль ВЛЭП выполним расчет разброса для двух представленных случаев [21]:

где xi — расстояние между i-м и (i + 1)-м датчиками; x̄ — среднеарифметическое расстояние между датчиками; n — количество промежутков между датчиками.
Согласно расчету, при увеличении степени неравномерности распределения ВЧ-датчиков, относительная погрешность возрастает. Для представленных случаев в таблице 1 приведены погрешности при заданной степени неравномерности. Относительная погрешность предлагаемого способа при размещении ВЧ-датчиков с равными промежутками представлена на рисунке 8. Как видно из рисунка, погрешность находится в пределах 5–10%. При произвольном расположении датчиков погрешность ОМП увеличивается, и диапазон уже лежит в пределах 4–24%.


Влияние количества ВЧ-датчиков. Оценим относительную погрешность предлагаемого способа ОМП при изменении количества ВЧ-датчиков. Для этого в модели ЭС (рисунок 4) количество датчиков удвоено, а шаг их распределения по линии принят равномерным. Относительная погрешность предлагаемого способа при размещении ВЧ-датчиков с равными промежутками и изменении их количества представлена на рисунке 9. При увеличении количества датчиков вдвое диапазон погрешности лежит в пределах 3–8%. Поэтому можно сделать вывод, что разительное (кратное) увеличение количества датчиков не приводит к пропорциональному снижению погрешности локации ОЗЗ.

Влияние удельного сопротивления земли. При увеличении удельного сопротивления грунта (ρз) и, соответственно, изменении АЧХ передаточной функции земляного волнового канала, сигнал по мере удаления от места замыкания будет уменьшаться быстрее. Оценим относительную погрешность предлагаемого способа ОМП при изменении удельного сопротивления земли: примем ρз = 100 Ом∙м, 500 Ом∙м и 5000 Ом∙м (от среднестатистических до скальных грунтов). Для этого в модели ЭС на линиях варьируется удельное сопротивление земли. Анализ данных, представленных на рисунке 10, показывает, что при увеличении удельного сопротивления земли погрешность ОМП незначительно возрастает — примерно на 2% по отношению к его минимальному значению.

ОРГАНИЗАЦИЯ КАНАЛА ТЕЛЕМЕТРИИ
Задача организации канала передачи данных от ВЧ-датчиков к центру анализа и мониторинга является комплексной и требует учета протяженности линии, географического расположения объекта, стоимости и иных факторов. Основными критериями выбора канала служат скорость передачи, доступность, удобство развертывания в различных условиях и экономическая эффективность.
Основные методы для данного случая организации канала телеметрии являются беспроводными и включают в себя радиоканалы и GSM-сети. Для коротких линий возможны альтернативные технологии: Wifi , Zigbee и Bluetooth Low Energy. Выбор конкретного способа определяется рабочим частотным диапазоном, который влияет на дальность связи, скорость передачи, энергоэффективность и совокупную стоимость проектирования и эксплуатации системы [22, 23].
Организация связи с использованием радиоканала частотой 433 МГц. Использование радиоканала на частоте 433 МГц является эффективным решением для связи с ВЧ-датчиками на ВЛЭП. Дальность передачи достигает 10 км при мощности 10 мВт. Данная технология характеризуется высокой энергоэффективностью, отсутствием затрат на частотный ресурс, устойчивостью к электромагнитным помехам. Она применяется для мониторинга проводников и изоляторов с возможностью интеграции в современные системы мониторинга. Пример использования данного способа организации канала связи для передачи данных от многопараметрического комплекса мониторинга гололедно-изморозевых отложений на фазных проводах и грозозащитном тросе ВЛ 110–220 кВ приведен в [24].
Организация связи с использованием GSM-сети. Альтернативой служит использование GSMсетей, что целесообразно при невозможности реализации радиоканала или наличии устойчивого сотового покрытия. Этот метод применяется в распределенных системах сбора данных. Современные системы мониторинга ВЛ 6–35 кВ широко используют GSM/3G/4G для передачи телеметрии на расстояния до 30–50 км, поддерживают стандартные IP-протоколы и интегрируются в существующие системы мониторинга, а также во вновь возводимые. Указанный способ нашел применение в распределенных системах сбора и передачи информации [25–27].
На рисунке 11 представлена структурная схема передачи информации с ВЧ-датчиков на ВЛЭП с основным предполагаемым способом передачи данных.

ВЫВОДЫ
1. Локализацию места ОЗЗ на ВЛ СН можно осуществлять с помощью ВЧ-датчиков, устанавливаемых на ВЛЭП. Напряжения на накопительных конденсаторах датчиков характеризуют их удаленность от места замыкания.
2. Для выявления зоны ОЗЗ по напряжениям датчиков строится полином UC0(x), максимум которого определяет зону замыкания.
3. Для минимизации погрешности метода целесообразно датчики располагать эквидистантно вдоль ВЛ.
4. Погрешность метода для ВЛ длиною в несколько десятков километров и установке на ней 4 датчиков оценивается на уровне 5–10%.
5. Метод слабо чувствителен к удельному сопротивлению грунта.
6. Анализ современных беспроводных технологий выделил два наиболее эффективных варианта организации канала связи: радиоканал 433 МГц и GSM. Оба решения характеризуются простотой развертывания, масштабируемостью, доступностью оборудования и подтвержденной практической эффективностью. ![]()
ЛИТЕРАТУРА
- Лопатин В.В. Система определения места повреждения воздушных ЛЭП 6–10 кВ // ЭЛЕКТРОЭНЕРГИЯ. Передача и распределение, 2019, № 5(56). С. 82–88.
- Kachesov V., Lebedev A., Kitova E. Monitoring in 6–35 kV power networks, location of single-phase ground fault and detection of fault feeder. International Journal of Electrical Power & Energy Systems, 2023, vol. 152, p. 109271.
- Дударев Л.Е., Зубков В.В., Стасенко В.И. Комплексная защита от замыканий на землю // Электрические станции, 1981, № 7. С. 59–61.
- Kachesov V.E., Lavrov V.Y., Cherepanov A.B. Parametric Method of Fault Location in Distribution Networks. Power Technology and Engineering, 2003, vol. 37, no. 4, pp. 262–268.
- Куликов А.Л., Лукичева И.А. Определение места повреждения линии электропередачи по мгновенным значениям осциллограмм аварийных событий // Вестник Ивановского государственного энергетического университета, 2016, № 5. С. 16–21.
- Аржанников Е.А., Лукоянов В.Ю., Мисриханов М.Ш. Определение места короткого замыкания на высоковольтных линиях электропередачи. М.: Энергоатомиздат, 2003. 272 с.
- Saha M.M., Izykowski J.J., Rosolowski E. Fault location on Power Networks. London: Springer Science & Business Media, 2009, 425 p.
- Малый А.С., Шалыт Г.М., Айзенфельд А.И. Определение мест повреждения линий электропередачи по параметрам аварийного режима. М.: Энергия, 1972. 215 с.
- Лачугин В.Ф. Волновые методы определения места повреждения на воздушных линиях электропередачи // Релейная защита и автоматизация, 2023, № 1(50). С. 58–61.
- Хузяшев Р.Г., Кузьмин И.Л., Васильев В.Д., Тукаев С.М. Практическая реализация волнового метода определения места повреждения в разветвленных распределительных электрических сетях 6(10) кВ // ЭЛЕКТРОЭНЕРГИЯ. Передача и распределение, 2019, № 2(53). С. 98–107.
- Кочетов А.Д., Кочетов И.Д., Лямец Ю.Я. Идентификация повреждений электрической сети посредством спектрального анализа переходных процессов // Электрические станции, 2024, № 1. С. 30–39.
- Teng J.-H., Huang W.-H., Luan W.Yu. Automatic and Fast Faulted Line-Section Location Method for Distribution Systems Based on Fault Indicators. IEEE Transactions on Power Systems, 2014, vol. 29, no. 4, pp. 1653–1662.
- Обалин М.Д., Куликов А.Л. Применение адаптивных процедур в алгоритмах определения места повреждения ЛЭП // Промышленная энергетика, 2013, № 12. С. 35–39.
- Куликов А.Л., Лоскутов А.А., Подшивалин А.Н., Жафяров А.Р., Обалин М.Д. Метод формирования групповых алгоритмов при определении мест повреждения высоковольтных линий электропередачи // Релейная защита и автоматизация, 2024, № 6. С. 3–8.
- Вагапов Г.В., Федотов А.И., Макаров В.Г. и др. Спектральный состав токов и напряжений воздушной распределительной электрической сети с изолированной нейтралью при однофазных замыканиях на землю и его использование для определения мест повреждения // Известия высших учебных заведений. Электромеханика, 2019, т. 62, № 2. С. 72–84.
- Качесов В.Е., Лебедев А.А. Способ выделения воздушной линии электропередачи с однофазным замыканием на землю в трехфазных электрических сетях. Патент на изобретение № RU2786506C1, опубл. 21.12.2022.
- Качесов В.Е., Лебедев А.А. Селекция фидера с замыканием на землю по высокочастотной переходной компоненте // Электротехника, 2024, № 7. С. 50–59.
- Калантаров П.Л., Цейтлин Л.А. Расчет индуктивностей: Справочная книга. 3-е изд., перераб. и доп. Л.: Энергоатомиздат, 1986. 488 с.
- Tuinenga P.W. SPICE: A Guide to Circuit Simulation and Analysis using PSPICE. Prentice Hall, Englewood Gliffs, New Jersey, 1992, 254 p.
- Deri A., Tevan G., Semlyen A., Castanheira A. The Complex Ground Return Plane, A Simplified Model for Homogenous and Multi-layer Earth Return IEEE Transactions on Power Apparatus and Systems, 1981, vol. PAS-100, no. 8, pp. 3686–3693.
- Выгодский М.Я. Справочник по высшей математике. М.: АСТ, 2019. 703 с.
- Ветцель Е.С. Теория вероятностей. 4-е изд. М.: Наука, 1969. 576 c.
- Пушкарев О. Использование диапазонов 433 и 868 МГц в системах промышленной телеметрии // Электронные компоненты, 2012, № 2. С. 42–48.
- Рабион Н.Д., Ермолаев А.О., Панфилов Д.И., Соколов М.А. Реализация каналов GSM/GPRS в беспроводных системах сбора и передаче информации // Сети и системы связи, 2006, № 6. С. 86–92.
- Вагапов Г.В. Повышение эффективности эксплуатации распределительных электрических сетей на основе многопараметрических комплексов распознавания однофазных замыканий на землю и гололедообразований на проводах и грозозащитных тросах. Дис. … докт. техн. наук. Казань: КГЭУ, 2022. 378 с.
- Иванов В.А., Брейдо И.В., Котов Е.С. Применение GSM-сетей для передачи технологической информации // Труды университета, 2018, № 3(72). С. 124–127.
- Иванов В.А., Котов Е.С., Брейдо И.В. GSM-сети в распределенных системах контроля технологических процессов / Материалы VIII Международной научно-технической интернет-конференции молодых ученых «Автоматизация, Мехатроника, Информационные Технологии». Омск: ОмГТУ, 2018. С. 173–176.